Anwendungsbeispiel COLM
SCHÄFER Container Systems IBC
Füllstandsanzeige für Intermediate Bulc Container (IBC)
Intermediate Bulk Container (IBC) werden in den unterschiedlichsten Bereichen der stoffverarbeitenden Industrien eingesetzt und lösen verfahrenstechnische Aufgaben sowohl in der Produktion als auch bei der Verarbeitung von flüssigen sowie pastösen Lebensmitteln, Zellstoffen, Pharmazeutika oder Chemikalien im Allgemeinen.
Wer solche speziellen Flüssigkeiten transportieren, lagern und vor äußeren Einflüssen schützen möchte, kommt an Intermediate Bulk Container (IBC) speziell aus Edelstahl nicht vorbei. Die Container lassen sich mobil handeln, sind stapelbar und können je nach Einsatzbereich mit individuellen Zubehörteilen wie Rührwerke, Füllstandmessern oder Heizeinrichtungen erweitert werden. Für die Container liefert Contec mechanische Füllstandsanzeiger aus Edelstahl. Die robusten Anzeiger sind für diesen Anwendungsfall die ideale Lösung. Sie sind widerstandsfähig selbst beim Einsatz aggressiver Medien, wirtschaftlich in der Anschaffung und lassen sich dank analoger Anzeige schnell und fehlerfrei ablesen. Darüber hinaus kann optional ein Signalausgang (auch für EX-Bereiche) realisiert werden.
Eingesetztes Produkt
- mechanischer Füllstandsanzeiger (Produkt: 6480)
Herausforderungen
- Säure- und laugenresistent
- Robuste Industriequalität zum fairen Preis
- Hohe Individualisierungsmöglichkeiten hinsichtlich Containergröße
Produktvorteile
- keine Stromversorgung nötig
- direkt einsehbar, leicht ablesbar
- individuell auf Containervolumen anpassbar
- individuelles Anzeigeblatt realisierbar
- optional mit Signalsausgang


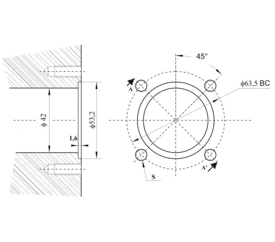
Befestigung
Senior: (4) Schrauben 5/16"-24*7/8" oder M8/25 mm auf 63,5 mm Lochkreisdurchmesser.
